УСТРОЙСТВО КОНТРОЛЯ ЛИНИИ СВЯЗИ И ПУСКА - УКЛСиП(С)220Б
УКЛСиП(С)220Б предназначено для управления реверсивным приводом с электронным управлением (например, типа BLE230):
-
• установками дымо- и газоудаления;
• инженерным, технологическим оборудованием и иными устройствами, участвующими в обеспечении пожарной безопасности;
• комбинированными установками.
УКЛСиП(С)220Б может работать:
-
• в составе ППУ «Гефест» (при подключении в линию связи (ЛС) с управляющим устройством ЦБ или УКЛСиП(РП);
• под управлением стороннего приемно-контрольного прибора (ППКП) или прибора управления пожарного (ППУ), формирующих команду «Пуск» подачей постоянного напряжения от 19 до 24 В.
Обеспечивает:
-
• по команде «Пуск» управление реверсивным исполнительным устройством или приводом (далее – ИУ), получающими питание от сети 230 В, 50 Гц;
• контроль исправности (на КЗ) цепи, соединяющей выключенную секцию ИУ с УКЛСиП(С)220Б;
• контроль исправности (на обрыв) цепей обоих секций, соединяющих ИУ с УКЛСиП(С)220Б;
• контроль наличия напряжения сети 230 В, 50 Гц;
• формирование сигнала «Неисправность» размыканием контактов цепи вывода информации (выход ЦВ).
При использовании «Конвертера сухого контакта КСК» (далее – КСК) обобщенный сигнал «Неисправность» может транслироваться по ЛС на управляющее устройство ЦБ или УКЛСиП(РП).
Основные технические характеристики УКЛСиП(С)220Б
|
Технические характеристики |
Значение |
|
Параметры управляемых исполнительных устройств (ИУ), не более: - напряжение питания - ток |
(195–253) В, 50 Гц 2 А |
|
Параметры внешнего пускового сигнала на клеммах «КУ»: напряжение токопотребление, не более |
19–28 В 16 мА |
| Ток, потребляемый от сети 230 В (клеммы L и N), не более |
6 мА |
| Напряжение контроля цепей ИУ, не более | 16 В |
|
Допустимая нагрузка на выход «ЦВ»: напряжение, не более ток, не более |
= 60 В 0,1 А |
| Степень защиты оболочки |
с верхней крышкой – IР30 без верхней крышкой – IР20 |
| Средний срок службы | 10 лет |
| Диапазон рабочих температур | от -5°С до + 55°С |
| Габаритные размеры, не более | 109х42х37 мм |
| Масса. не более | 0,15 кг |
| Высота установки над уровнем моря, не более | 1000 м |
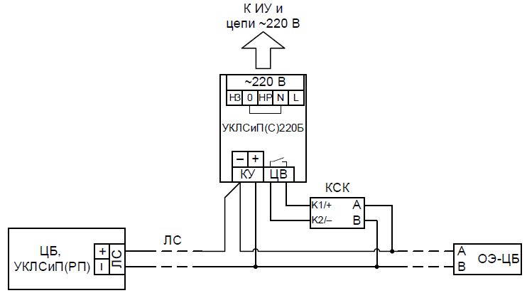
Схема подключения УКЛСиП(С)220Б к управляющему устройству УУ (ЦБ или УКЛСиП(РП)) по ЛС

| Модель | УКЛСиП(С)220Б |
| Средний срок службы | 10 лет |
ППУ
Для управления независимым расцепителем (пускателем блокировки вентиляции) целесообразно применять самостоятельное устройство УКЛСиП (С)220В или УКЛСиП(С)220Б, входящее в состав ППУ «Гефест». Серийно это устройство выпускается для контроля кабельной линии, исправности входной электрической цепи объекта управления и управления нагрузками сети 220В (но по требованию заказчика может быть изготовлено изделие под другое напряжение: переменное 36 В, 110В или постоянное 24 В). Перестановкой джампера внутри устройства выбирается режим включения или отключения блокировки по сигналу пожар.
На одно устройство допускается подключение только одного объекта управления!
ППУ «Гефест» относится к классу многокомпонентных приборов и имеет возможность наращивать структуру практически без ограничения количества подключаемых оповещателей либо иных исполнительных устройств. Следует учитывать энергетические возможности в расчете на устройство, самостоятельную линию связи с объектами управления. Так, например, ЦБ или УКЛСиП (РП) допускает нагрузку в линии связи в дежурном режиме до 2 А (2000 мА) и режиме «Пожар» до 2А (2000мА). Это означает, что в расчете на одно устройство может быть одновременно включено 50 световых оповещателей «Выход» с током потребление 20 мА каждый и в режиме «Пожар» еще 20 звуковых оповещателей (сирен) с током потребление 50 мА каждый.
Следует учитывать, что линия связи обеспечивает возможность подключения дополнительных локальных ветвей с табличками «Выход» через устройство УК-Д (04), а подключение сирен и табличек, включаемых по сигналу «Пожар» через устройство УК-Д(05) К1,К2 осуществляется последовательно в линию. Нагрузочная способность серийных УК-Д(04) ограничивается током 100 мА (напряжение питания 24 В), а УК-Д(05)К1,К2 имеет нагрузочную способность 500 мА.
При необходимости увеличения количества подключаемых объектов устанавливается дополнительно одно или несколько устройств УКЛСиП (РП), выполняющих роль расширителя, и количество подключаемых объектов увеличивается до требуемой величины.
Имеются и другие способы увеличения количества контролируемых линий связи и включаемых оповещателей, в том числе и питаемых по цепи 220В.
Для контроля на обрыв цепей 220В с устройствами отвечающими за дымоудаление и подпор воздуха, возможно использовать УК-Д(02)исп. КМ-О и УКЛСиП(С) 220Б. При этом на одно устройство можно подключить только один объект управления!